Pietra Calacatta

雅科貝思 音圈電機 平闆型音圈電機

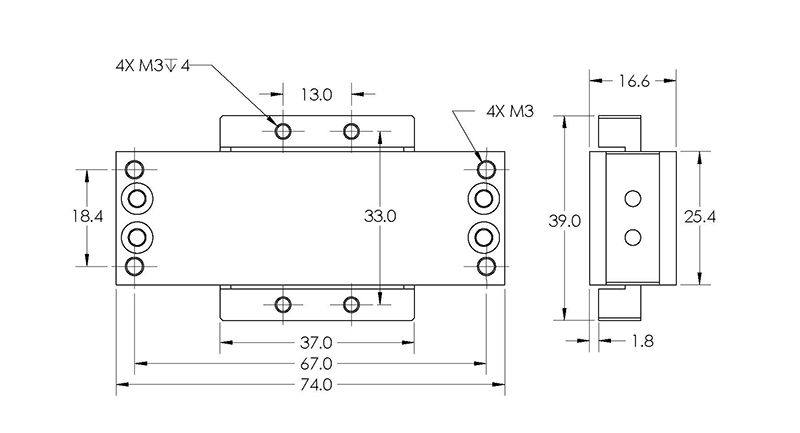
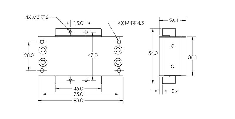
設計特點: A.無齒槽效應,運動順滑 B.動子質量輕,響應速度快 C.直驅設計,可靠性高 D.高性能永磁體,推力密度高 規格/3D圖紙 尺寸圖 AVA 1-20 AVA 2-20

詳細介紹

設計特點:
 
A.無齒槽效應,運動順滑
B.動子質量輕,響應速度快
C.直驅設計,可靠性高
D.高性能永磁體,推力密度高

規格/3D圖紙


尺寸圖
AVA 1-20


AVA 2-20

圖片欣賞

寬田科技 ©2013-2023(www.kuantiankeji.com)

本站關鍵詞:工業機器人丨伺服電機丨直線電機丨DD馬達丨模組丨視覺傳感器丨傳感器丨氣缸丨電磁閥丨真空吸盤丨真空發生器丨拖鏈